Skip to content Skip to sidebar Skip to footer

Open Center Hydraulic System

Open And Closed Center Hydraulic Systems

Open And Closed Center Hydraulic Systems

Open center hydraulic system. Fundamentally the difference can be described in just two sentences and is most easily defined by the pump. An open center load sensing hydraulic system which assures that a primary work circuit has priority in flow demand over a secondary work circuit and which essentially eliminates kickback from a primary control valve with a feedback mechanism contained in said primary work circuit said system comprising. When the valve is neutral then hydraulic fluid goes back to reservoir or the tractor housing.

When a remote valve on the tractor is in the neutral position the valve receive the flow and return it directly to the tank with no pressure. See open-center hydraulic system. To operate several functions simultaneously an open center system must have the correct connections which are discussed.

Open-center hydraulics have more than one pump in stages that supply power to different applications as the needs arise. 12 Circuit with closed center distributor. Generally less expensive gear pump is cheaper to build slightly more energy efficient less sensitive to oil contamination than closed center.

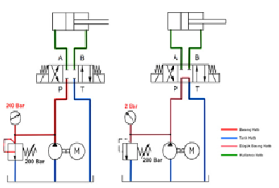
A few advantages each system has over the other. Open center valves connect the P and T ports when centered. In open center systems the hydraulic consumers are in series while in closed center systems they are in parallel.

If it can the system is open center and the system is sometimes called a full flow system. Works fine for simple single circuit hydraulic systems. An open loop pump draws all of its flow directly from a reservoir and sends the majority of it directly back to the reservoir after performing its function.

The hydraulic pump is a continuous flow type. Open-center hydraulic system A type of hydraulic system in which the selector valves are arranged in series with each other. With an open center the pump is a gear pump so the flow rate is always the same.

The oil in an open circuit is always renewed as it flows back and forth from. A closed system would use only one to supply power to both.

Hydraulic Open Center System Hydraulic Valve

Hydraulic Open Center System Hydraulic Valve

Open And Closed Center Hydraulic Systems

Open And Closed Center Hydraulic Systems

Open Center Hydraulic System Article About Open Center Hydraulic System By The Free Dictionary

Open Center Hydraulic System Article About Open Center Hydraulic System By The Free Dictionary

Basic Hydraulic Systems

Basic Hydraulic Systems

Open Center Hydraulic Circuit Hydraulic Valve

Open Center Hydraulic Circuit Hydraulic Valve

Hydraulic Open Center System Hydraulic Valve

Hydraulic Open Center System Hydraulic Valve

Basic Hydraulic Open Center System Schematic

Basic Hydraulic Open Center System Schematic

Open Center Valve Youtube

Open Center Valve Youtube

Open And Closed Center Hydraulic Systems

Open And Closed Center Hydraulic Systems

Closed Center System Modern Industrial Hydraulics

Closed Center System Modern Industrial Hydraulics

Mechanical Hydraulic Basics Course Lesson 23 Directional Control Open Vs Closed Center Youtube

Mechanical Hydraulic Basics Course Lesson 23 Directional Control Open Vs Closed Center Youtube

Hydraulic Open Center System Hydraulic Valve

Hydraulic Open Center System Hydraulic Valve

Basic Hydraulic Systems

Basic Hydraulic Systems

Hydraulic Circuits Open Vs Closed Hydra Tech

Hydraulic Circuits Open Vs Closed Hydra Tech

Hydraulic Circuits Open Center Circuit Hydraulic Schematic Troubleshooting

Hydraulic Circuits Open Center Circuit Hydraulic Schematic Troubleshooting

Hydraulic Open Center System Hydraulic Valve

Hydraulic Open Center System Hydraulic Valve

Figure 4 143 Open Center Hydraulic System Valve Closed

Figure 4 143 Open Center Hydraulic System Valve Closed

Hydraulic Machinery Wikiwand

Hydraulic Machinery Wikiwand

Hydraulics Open Center Pressure Compensated 21 1 Gpm

Hydraulics Open Center Pressure Compensated 21 1 Gpm

Closed Center System Modern Industrial Hydraulics

Closed Center System Modern Industrial Hydraulics

Directional Control Valves Four Way Open Center Hydraulic Valve Hydraulic Schematic Troubleshooting

Directional Control Valves Four Way Open Center Hydraulic Valve Hydraulic Schematic Troubleshooting

Closed Center Versus Open Center Hydraulics Brendan Casey S Hydraulics Blog

Closed Center Versus Open Center Hydraulics Brendan Casey S Hydraulics Blog

1

1

Hydraulic Equipment Slowdown Nailing Internal Leakage

Hydraulic Equipment Slowdown Nailing Internal Leakage

Closed Center System Modern Industrial Hydraulics

Closed Center System Modern Industrial Hydraulics

How Open Center Hydraulic System Works Youtube

How Open Center Hydraulic System Works Youtube

Hydraulic Closed Center System Hydraulic Valve

Hydraulic Closed Center System Hydraulic Valve

Open Center Valve

Open Center Valve

Open Center

Open Center

Open Closed Center Systems Lunchbox Sessions

Open Closed Center Systems Lunchbox Sessions

Hydraulic Symbology 201 Industrial Directional Valves

Hydraulic Symbology 201 Industrial Directional Valves

Basic Hydraulic Open Center Series Parallel Connection System Schematic

Basic Hydraulic Open Center Series Parallel Connection System Schematic

4 The Pump In Open Centre Load Sensing Systems Is Controlled In Order Download Scientific Diagram

4 The Pump In Open Centre Load Sensing Systems Is Controlled In Order Download Scientific Diagram

Closed Center Valve Youtube

Closed Center Valve Youtube

Hydraulic Closed Center Circuit With Load Sensing Hydraulic Valve

Hydraulic Closed Center Circuit With Load Sensing Hydraulic Valve

Hydraulic Closed Center Circuit Hydraulic Valve

Hydraulic Closed Center Circuit Hydraulic Valve

Hydrauoic System Troubleshooting And Maintenance

Hydrauoic System Troubleshooting And Maintenance

Hydraulic Valve Power Beyond Or High Pressure Carry Over

Hydraulic Valve Power Beyond Or High Pressure Carry Over

Basic Hydraulic Systems

Basic Hydraulic Systems

Understanding Hydraulic Systems Grainews

Understanding Hydraulic Systems Grainews

Energy Saving Considerations And Fixed Pump Unloading Fluid Power Journal

Energy Saving Considerations And Fixed Pump Unloading Fluid Power Journal

Hydraulic Power Systems Valves Part One

Hydraulic Power Systems Valves Part One

Open Center Gear Driven Hydraulics For Consistent Performance

Open Center Gear Driven Hydraulics For Consistent Performance

Hydraulics Introduction Hydraulic Machinery Is Machines And Tools

Hydraulics Introduction Hydraulic Machinery Is Machines And Tools

Solved In The Picture To The Right In Hydraulic Systems Chegg Com

Solved In The Picture To The Right In Hydraulic Systems Chegg Com

Hydraulic Power Supply Options

Hydraulic Power Supply Options

Basic

Basic

The invention relates to an open center hydraulic power-assisted steering system wherein a steering cylinder 105 which introduces the power assisting force into a steering mechanism 101 is continuously connected to the pressure chamber 107 and tank chamber 108 of a hydraulic circuit by means of a steering valve 106 comprising a hydraulic pump 112 whose pumping volume can be.

If it can the system is open center and the system is sometimes called a full flow system. The most common hydraulic systems on mobile equipment are based on two designs. Hydraulic fluid flows from the pump through the center of all the selector valves and back into the reservoir as the unit is actuated. In open center systems the hydraulic consumers are in series while in closed center systems they are in parallel. If it can the system is open center and the system is sometimes called a full flow system. Terms open center and close center are used to differentiate two system designs as each describes the construction of directional control valve as well as the type of hydraulic circuit being used within the system. Figure 2 3 shows this system in the neutral position. In this system a control valve spool must be open in the center to allow pump flow to pass through the valve and return to the reservoir. Generally less expensive gear pump is cheaper to build slightly more energy efficient less sensitive to oil contamination than closed center.


See open-center hydraulic system. When the valve is neutral then hydraulic fluid goes back to reservoir or the tractor housing. An open center load sensing hydraulic system which assures that a primary work circuit has priority in flow demand over a secondary work circuit and which essentially eliminates kickback from a primary control valve with a feedback mechanism contained in said primary work circuit said system comprising. Open center refers to the open central path of the control valve when the valve is in neutral position. Closed center valves block the P port from the T port when centered. In this system a control valve spool must be open in the center to allow pump flow to pass through the valve and return to the reservoir. The oil in an open circuit is always renewed as it flows back and forth from.

Post a Comment for "Open Center Hydraulic System"